2-Channel 5V Relay Module

brand: SainSmart 10 reviews SKU: 101-70-100 Variants ID: 45100777236

This is a 5V 2-Channel Relay interface board, Be able to control various appliances and other equipment with large current. It can be controlled directly by Micro-controller (Raspberry Pi, Arduino, 8051, AVR, PIC, DSP, ARM, ARM, MSP430, TTL logic).

$5.99

 

SPECIFICATION
  •  5V 2-Channel Relay interface board, and each one needs 15-20mA Driver Current
  •  Equiped with high-current relay, AC250V 10A ; DC30V 10A
  • Standard interface that can be controlled directly by microcontroller (Arduino , 8051, AVR, PIC, DSP, ARM, ARM, MSP430, TTL logic)  
  • Indication LED’s for Relay output status
  • It activates on low level
WHAT'S IN THE PACKAGE
  • 1 x 2-Channel 5V Relay Module
      Customer Reviews
      4.1 Based on 10 Reviews
      Write a Review Ask a Question
      • Reviews
      • Questions

      Thank you for submitting a review!

      Your input is very much appreciated. Share it with your friends so they can enjoy it too!

      Filter Reviews:
      K
      11/16/2014
      Karl
      Great value

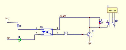
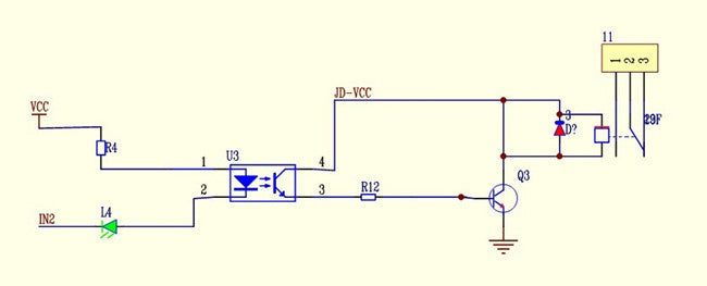
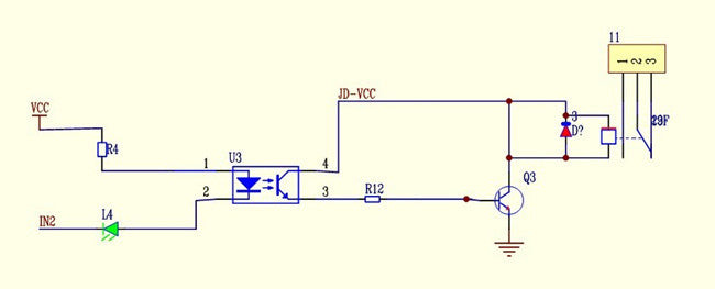
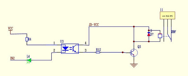
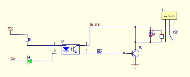
      This is a fantastic product at a great price. Just one thing! Do NOT set the jumper to GND-VCC! This will cause a short! This is not a design error! You can use the board non-isolated the way it comes. This jumper is used to separate the opto-coupler circuit from the relay side. To fully isolate the inputs from the relays: 1) Pull the jumper and use secondary 5 volt power to the relay using GND and VCC next to JD-VCC. Do NOT use the VCC and GND pins next to the IN1 and IN2 input pins! 2) The JD-Vcc is the common for all inputs. The input side consists of the indicator LED and opto-coupler-LED and a 100 ohm resistor in series. 3) Apply Arduino 5 volt to JD-VCC and IN1 or IN2 to the Arduino outputs (LOW) and the relay will be triggered. Hope this helps! The board is missing one star for the mounting hole issue! Thanks to Eric for the schematic! You can find a schematic on amazon.

      S
      01/24/2014
      Saladman
      More information would make it better

      The links for the data go nowhere. The driver schematic everyone is discussing cannot be correct. The diagram would require a high voltage to activate. This board activates on low voltage. This is the beginning of a good product, but not yet.

      S
      12/16/2013
      Saran
      Excelent product sold expensively and shipped slowly

      At the same day I purchased this relay from this web site I bought the same one from eBay. I did that because the last one I ordered from eBay never arrived and I was well into my project and just needed this relay. So, to make sure I got it this time I ordered 1 from an eBay seller (2 USD with shipping) and 1 from here (5 USD + 6 USD for international shipping!). The eBay one came one week before this one! Great product, but will never order from here again.

      A
      11/14/2013
      Alan
      Good

      I don’t wanna say more in details. It’s of good value with my project. Other products I ordered in your shop are great too.

      D
      11/07/2013
      Derck
      Good relay

      I don’t wanna say more in details. It’s of good value with my project. Other products I ordered in your shop are great too.

      B
      11/03/2013
      Brian
      Works well

      This relay board works well with the Raspberry Pi, If I need other tools, I will come to your store again!

      B
      08/25/2013
      Beck
      Nice relay, good price and quality

      The relay works really good for my project. Great!

      A
      08/08/2013
      autotech
      Nice compact relay

      This is a good addition for my home automation project, but would be better if they elaborated on the circuits/ schematics a bit.

      R
      06/16/2013
      Richard
      reverse logic on Rpi but easily modified

      This is an easy interface for the RPI and nothing special is needed to interface to the 3 volt GPIO bus or a 3 volt powered I2C port expander. Having said that. the logic is backwards for a Rpi. A low (off) at the relay board's input energizes the relay. This is easily changed by cutting a trace on the board and adding two jumpers.

      S
      09/03/2012
      Scott
      Nice Board. Needs more documentation

      This board works well with the Arduino but needs more than just a schematic for the average hobbyist to be comfortable purchasing it.